Setrvačník 24kg, pro 3 řemeny 17mm (s krytem)
Setrvačník 24kg, pro 3 řemeny 17mm (s krytem)

Setrvačník 24kg, pro 3 řemeny 17mm (s krytem)

Setrvačník pro štěpkovače: R-60, R-80, RS-80, RE-80, RS-100, RE-100

Na dotaz
6 700 Kč
5 537 Kč bez DPH

Aspen-banner-detail
Potřebujete poradit?
Michal Novák
Produktový specialista

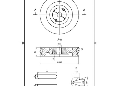
Průměr - 300 mm

Hmotnost - 24 kg

Drážky - pro 3 řemeny 17mm, včetně kolečka s kuželovou objímkou ​​a krytem.

Setrvačník má pozitivní vliv na chod štěpkovače, ovlivňuje hladký chod motoru, zvyšuje výkon a točivý moment, akumuluje kinetickou energii, zvláště doporučeno pro slabší traktory (díky zářezům na pásech lze použít jako hnací kolo pro jiný zdroj pohonu).