FOTOGALERIE Sonarol
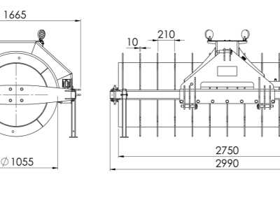
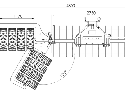
Dusací válec SONAROL s přídavným okrajovým válcem udržuje celkový profil kukuřičné nebo
travní siláže dokonale stlačený.
Přidanou hodnotou okrajového válce je, že při každé jízdě stlačuje boční vrstvu siláže, a tím ji lépe
utěsní, snižuje možné ztráty a zvyšuje celkovou kvalitu.
Silážní pěch zajišťuje optimální zhutnění travní a kukuřičné siláže.
Válec lze naplnit vodou nebo
pískem.
Válec je standardně vybavený
hydraulickým bočním posuvem. Rám je opatřen rolnami pro
boční kontakt s betonovými čely.
Taktéž standardem je pracovní osvětlení.